
Position : Home > Product > trailer (windmill blade/tower transport trailer)
Details
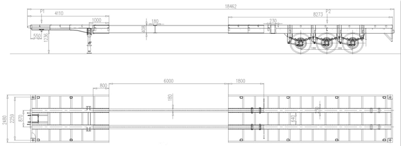
Rotor blades transport trailer
For the transport of rotor blades and small tower segments, HYZER offers flatbed semitrailers and gooseneck semitrailers. The loading platform length of the semitrailer is 30m to 40m.The payloads of these vehicles range between 20ton and 60ton.
Specifications:
- 40 feet tri-axles spring suspension semi trailer;
- Max length 18462mm;
- Curb Weight: 〈7000 Kg
- Spring Suspension: /10/10/10(Thickness of each plate: 13mm);
- Landing Gear:Xutong, Linkage type, 30T;
- Axles:Fuwa,13T,Quantity: 3;
- Tread: 1840mm;
- Wheelbase: 1300mm;
- Tyre:(11:00 R20)(Quantity: 12); Steel Cord;
- Outside Center Girder: Q345, Thickness, Wing Plate, Top and Bottom: 18mm*230mm, Web Plate: Q345, Thickness: 8mm,Height: 450mm,
- Inner Center Girder: Q345, Thickness, Wing Plate, Top and Bottom: 18mm*180mm, Web Plate: Q345, Thickness: 8mm,Height: 400mm,
- Kingpin:(90)#, Baoheng;
- Spare Tyre Bracket: 2, without spare tire;
- Tool Box: 1,
- Turn Lock: 12, Which may load one set of container with 40’ and 2 sets of containers with 20’ or one set of container with 20’ on middle of the platform.
- Jamb: 18# U-steel;
- Front Baffle: 1m

Product
Contact
XIAN HYZER IMPORT & EXPORT CO., LTD.
ADD: Lingxian Times Square, Gaoxin Road, Xi’an, China
Post code: 710052
Tel: +86 29 83212386
Fax: +86 29 83212386
WhatsApp: +86 18629072795
Contact: Ms. Amanda
MP: 0086 186 2907 2795
0086 134 8827 5683
Email: szhyhy@hotmail.com
carol@hyzertrailer.com
hyzerhy@gmail.com
Skype: shhyhy
Web: www.hyzertrailer.com
